O-RINGI W BEZSZWOWEJ OTULINIE Z FEP ORAZ Z CZYSTEGO PTFE

Pierścienie O-ring wykonane z PTFE mogą być stosowane w zakresie temperatur od –200 °C do +260 °C. Materiał PTFE charakteryzuje się praktycznie nieograniczoną odpornością chemiczną. Ze względu na ograniczoną elastyczność materiału, a co za tym idzie wyższe naprężenia montażowe, pierścienie O-ring z PTFE powinny być stosowane wyłącznie jako uszczelnienia statyczne w rowkach osiowych.
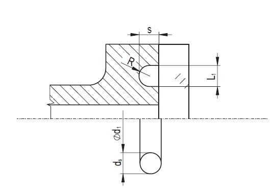
W związku z występowaniem zjawiska tzw. zimnego płynięcia zaleca się projektowanie rowków zgodnie z rysunkiem i tabelą.
Pierścienie O-ring z PTFE można również osadzać w rowkach przeznaczonych dla standardowych pierścieni elastomerowych, jednak montaż jest utrudniony i istnieje ryzyko uszkodzenia uszczelnienia. W aplikacjach wymagających połączenia doskonałej odporności chemicznej PTFE z właściwościami mechanicznymi zbliżonymi do elastomerów, rekomendowane jest zastosowanie pierścieni uszczelniających w otoczce FEP.

WERSJE WYKONANIA PIERŚCIENI O-RING FEP
A – pierścień O-ring z rdzeniem pełnym, pokryty powłoką FEP,
B – pierścień O-ring z rdzeniem pustym, pokryty powłoką FEP.
Specjalne pierścienie O-ring w otulinie składają się z wewnętrznego rdzenia elastomerowego oraz bezszwowej powłoki FEP, która stanowi szczelne „opakowanie” rdzenia.
» Rdzeń elastomerowy zapewnia elastyczność porównywalną do zwykłych pierścieni elastomerowych.
» Powłoka FEP gwarantuje doskonałą odporność chemiczną, porównywalną z pierścieniami wykonanymi z czystego PTFE.
Ze względu na stosunkowo cienką ściankę powłoki FEP, pierścienie te są w dużym stopniu zamienne z typowymi pierścieniami typu O-ring. W przypadku wymiarów montażowych obowiązują wszystkie zalecenia projektowe dotyczące standardowych pierścieni elastomerowych. Należy jednak pamiętać, że pierścienie FEP charakteryzują się ograniczoną rozciągliwością oraz większą trwałą deformacją wynikającą z obecności powłoki. W przypadku uszczelniania średnicy zewnętrznej zaleca się stosowanie rowków dzielonych.


Pierścienie O-ring w otulinie FEP stosuje się głównie jako uszczelnienia statyczne oraz do uszczelniania wolnych ruchów prostoliniowych i obrotowych. Dzięki doskonałej odporności chemicznej znajdują zastosowanie w przemyśle chemicznym, spożywczym, farmaceutycznym, innych branżach wymagających wysokiej odporności chemicznej materiału uszczelniającego. Pierścienie O-ring w otulinie FEP są dostępne w szerokim zakresie wymiarowym, także w małych ilościach. Zakres dostępności odpowiada standardowym pierścieniom O-ring, przy ograniczeniu:
» minimalna średnica wewnętrzna: 7,5 mm,
» minimalny przekrój: 1,5 mm.

Oferujemy możliwość produkcji oringów z PTFE w niestandardowych wymiarach, dostosowanych do indywidualnych potrzeb aplikacyjnych. Dzięki elastycznemu procesowi produkcyjnemu jesteśmy w stanie zrealizować wiele wymiarów w krótkim czasie, co pozwala na szybkie wdrożenie rozwiązania, ograniczenie ryzyka przestojów oraz przetestowanie uszczelnienia przed zamówieniem większej partii.
Dodatkowo produkujemy profile techniczne z PTFE, zgodnie z dokumentacją techniczną klienta.
Właściwe uszczelnienie to gwarancja niezawodnej pracy instalacji i eliminacja ryzyka przestojów.
